LabVIEW视觉

 找回密码
 注册会员
查看: 211|回复: 0

[定焦镜头] HN-P-0828-6M-C1/1.8大恒图像600万8mm工业镜头

[复制链接]
  • TA的每日心情
    郁闷
    昨天 07:48
  • 签到天数: 3863 天

    连续签到: 56 天

    [LV.Master]2000FPS

     楼主| 发表于 2026-3-24 14:34:36 | 显示全部楼层 |阅读模式 来自:广东省东莞市 联通

    注册登陆后可查看附件和大图,以及购买相关内容

    您需要 登录 才可以下载或查看,没有账号?注册会员

    x
    HN-P-0828-6M-C1/1.8大恒图像600万8mm工业镜头
    大恒图像HN-P-6M系列镜头
    image1.jpeg
    HN-P-0828-6M-C1/1.8

    n  8mm 焦距
    n  1/1.8" 靶面尺寸
    n  600 万像素
    n  F2.8 大光圈
    n  超低光学畸变
    n  小型化结构

    产品特点
    n 专为机器视觉应用而设计
    n 600万像素高分辨率
    n 机身小巧紧凑,可以安装在各种受限空间
    n 适用范围广,靶面尺寸适用于市场上绝大多数的工业相机
    n 超低光学畸变,极大提高了检测精度和稳定性

    规格参数
    型号  
    HN-P-0828-6M-C1/1.8
    品牌
    大恒图像
    调焦类型
    固定焦距
    分辨率
    6M
    像元尺寸(μm)
    2.4
    焦距(mm)
    8
    sensor尺寸(inch)
    1/1.8”
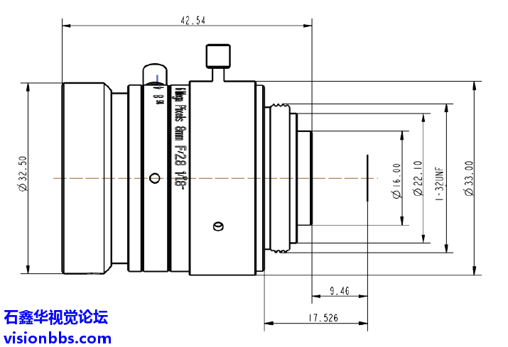
    法兰距(mm)
    17.526±0.2
    视场角(D×H×V)
    59.53° × 48.58°  × 33.84°
    光圈范围
    F2.8-F16
    TV畸变(%)
    ±0.2
    操作方式:光圈
    手动
    操作方式:聚焦
    手动
    基准工作距离(BWD) (mm)
    300
    聚焦范围
    0.1m- ∞
    镜头接口
    C口
    螺纹尺寸
    M30.5 × 0.5
    最小工作距离(mm)
    100
    工作距离(mm)
    100-∞
    机械尺寸(D×L)(mm)
    Φ33.0 × 37.47(不含螺纹)
    重量
    63g
    工作温度
    -10℃ ~ +50℃

    机械尺寸
    image2.png
    回复

    使用道具 举报

    您需要登录后才可以回帖 登录 | 注册会员

    本版积分规则

    LabVIEW HALCON图像处理入门教程(25.08)
    石鑫华机器视觉与LabVIEW Vision图像处理PDF+视频教程11种全套
    《LabVIEW Vision函数实例详解2020-2024》教程-NI Vision所有函数使用方法介绍,基于NI VISION2020,兼容VDM21/22/23/24

    QQ|LabVIEW视觉 |网站地图

    GMT+8, 2026-4-22 00:00

    Powered by Discuz! X3.4

    © 2001-2026 Discuz! Team.

    快速回复 返回顶部 返回列表