TA的每日心情 | 郁闷 15 小时前 |
|---|
签到天数: 3863 天 连续签到: 56 天 [LV.Master]2000FPS
|

楼主 |
发表于 2026-3-19 10:32:50
|
显示全部楼层
|阅读模式
来自:广东省东莞市 联通
注册登陆后可查看附件和大图,以及购买相关内容
您需要 登录 才可以下载或查看,没有账号?注册会员
x
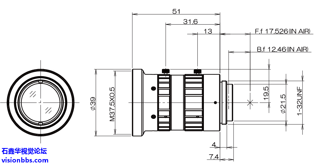
HN-0619-5M-C2/3X大恒图像500万6mm工业镜头大恒图像HN-5M系列镜头 HN-0619-5M-C2/3X
n 6mm 焦距 n 2/3" 靶面尺寸 n 500 万像素 n F1.9 大光圈 n 紧凑型设计适用于小型相机 n 防震动和抗冲击性能可达10G
产品特点n 高分辨率 n 机身小巧紧凑 n 安装更具灵活性 n 适用范围广
规格参数
机械尺寸 |
|