LabVIEW视觉

 找回密码
 注册会员
查看: 142|回复: 0

电容表面字符机器视觉检测

[复制链接]
  • TA的每日心情
    郁闷
    9 小时前
  • 签到天数: 3843 天

    连续签到: 36 天

    [LV.Master]2000FPS

     楼主| 发表于 2026-3-24 08:50:49 | 显示全部楼层 |阅读模式 来自:广东省东莞市 联通

    注册登陆后可查看附件和大图,以及购买相关内容

    您需要 登录 才可以下载或查看,没有账号?注册会员

    x
    电容表面字符机器视觉检测
    电容表面的字符识别,是一类比较多的视觉检测应用。不过因为电容表面通常都不是平整的,所以对于打光有一定的要求。而因为表面不平整通常会引起字符变形等问题。所以,这一类的字符识别,使用传统方法,通常是比较困难的。不过现在可以使用深度学习的方法,检测起来相对就容易很多了,项目落地也容易很多了。
    image1.png
    电容表面字符识别
    image2.png
    电容表面字符识别
    image3.jpeg
    电容表面字符识别
    image4.png
    电容表面字符识别

    机器视觉光源
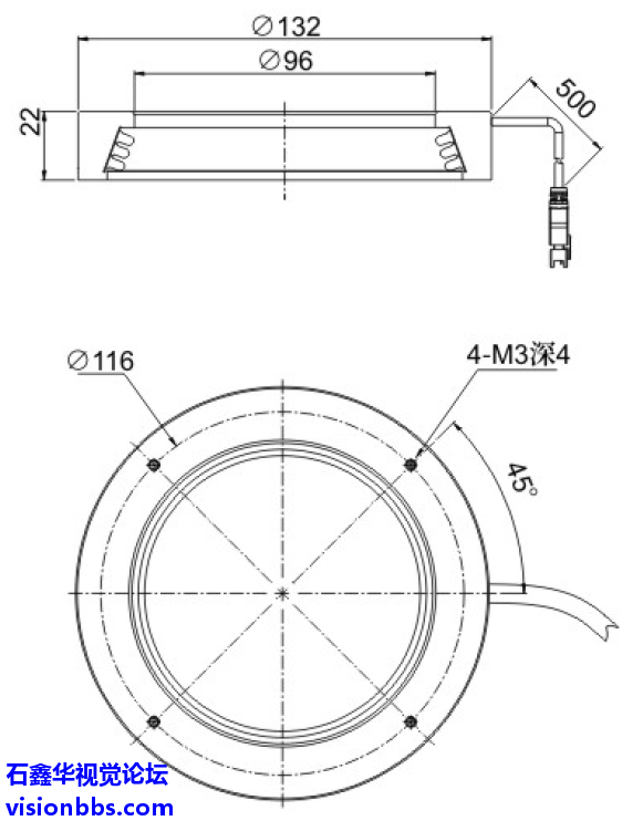
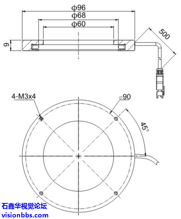
    因为电容表面通常不平整,为了规避不平整引起的干扰,通常考虑使用低角度的环形光源来照明。因为这类电容通常不会很大,所以使用小的低角度环形光源就可以。例如SHI-RL9600-W、SHI-RL1320-W等。
    image5.png
    SHI-RL9600-W
    image6.png
    SHI-RL13220-W
    光源控制器
    需要看具体使用的光源大小和数量。如果只是使用一个比较小的环形光源,那么常规的2路模拟控制器就可以了,如SHI-APS2430-2CH。
    image7.png
    SHI-APS2430-2CH

    工业相机
    这类电容表面字符识别的方案,因为产品本身也不是很大,要求也不是很高。深度学习对分辨率的要求也不是很高,而且分辨率高了,推理速度也会很慢。所以满足要求即可。这类产品,建议考虑40~130万像素就可以了。
    image8.png
    MER-133-54GM
    传统方法时,这类产品使用黑白相机就可以了。而如果使用深度学习,通常还可以考虑彩色相机。不过,彩色信息,通常只要用于定位,而识别仍然会使用灰度信息。所以,没有特殊要求,优先使用黑白相机。

    工业镜头
    产品相对来讲比较小,通常几毫米十来毫米左右。这个视野范围,配合1/4、1/3/、1/2寸的的芯片,一般使用50mm的FA镜头配延长管来实现。当然,现在常规的远心镜头价格也不高,使用0.5倍、0.3倍的远心镜头也可以。

    图像处理算法
    使用传统的OCR来识别,单个图像总是能想办法实现的,但是稳定性会比较差。而使用深度学习的方法来处理,效果可能会好很多。不过如上面的图像所示,表面的一些特殊符号,通常默认的库是不包含的,如需要识别,还需要自己重新学习。
    image9.png
    Halcon深度学习-DeepOCR(特殊符号未识别或识别错误)
    image10.png
    Halcon深度学习-DeepOCR(特殊符号未识别或识别错误)
    image11.png
    Halcon深度学习-DeepOCR(特殊符号未识别或识别错误)
    image12.png
    Halcon深度学习-DeepOCR(特殊符号未识别或识别错误)
    image13.png
    百度飞桨OCR(特殊符号未识别或识别错误)
    image14.png
    百度飞桨OCR(特殊符号未识别或识别错误)
    image15.png
    百度飞桨OCR(特殊符号未识别或识别错误)
    image16.png
    百度飞桨OCR(特殊符号未识别或识别错误)

    机器视觉项目实现难度
    ★★★
    目前深度学习发展速度比较快,字符识别的视觉项目落地变的容易很多了。不过,也会存在一些特殊的情况,就如本方案中的特殊符号,要么自己重新训练模型,要么干脆不识别。而且,就算使用深度学习方法,一些容易误读的字符,如O和0,I和1等,仍然存在误读的问题。这个得在编程时,使用指定的模式替换。但是如果,无法替换,即当前行和当前位,即可能出现字母O,也可能出现数字0,那么这种情况,就无法规避了。只能考虑在原材料的字体上考虑修改成有差异的字体。如果无法修改,那么这类相似字符的识别,会比较麻烦。
    回复

    使用道具 举报

    您需要登录后才可以回帖 登录 | 注册会员

    本版积分规则

    LabVIEW HALCON图像处理入门教程(25.08)
    石鑫华机器视觉与LabVIEW Vision图像处理PDF+视频教程11种全套
    《LabVIEW Vision函数实例详解2020-2024》教程-NI Vision所有函数使用方法介绍,基于NI VISION2020,兼容VDM21/22/23/24

    QQ|LabVIEW视觉 |网站地图

    GMT+8, 2026-4-1 09:50

    Powered by Discuz! X3.4

    © 2001-2026 Discuz! Team.

    快速回复 返回顶部 返回列表