LabVIEW视觉

 找回密码
 注册会员
查看: 377|回复: 0

[面阵相机] MER3-1250-94X2C大恒图像水星CXP2.0彩色工业相机

[复制链接]
  • TA的每日心情
    慵懒
    11 小时前
  • 签到天数: 3823 天

    连续签到: 16 天

    [LV.Master]2000FPS

     楼主| 发表于 2026-1-28 09:32:46 | 显示全部楼层 |阅读模式 来自:广东省东莞市 联通

    注册登陆后可查看附件和大图,以及购买相关内容

    您需要 登录 才可以下载或查看,没有账号?注册会员

    x
    MER3-1250-94X2C大恒图像水星CXP2.0彩色工业相机
    水星三代 1250 万像素 CXP2.0 接口高速面阵相机
    MER3-1250-94X2C相机是水星三代系列CXP2.0接口高分辨率小体积工业数字相机,具有高图像质量、低噪声、极低功耗等特点,采用全局曝光的 CMOS 感光芯片,最大传输速率可达12.5Gbit/s,支持PoCXP供电,能稳定工作在各种恶劣环境下,是高可靠性、高传输速度、高图像质量的工业数字相机产品。

                                   
    登录/注册后可看大图
    水星MER3-G3-P系列工业相机

    应用领域
    新能源检测、PCB 检测、装配验证以及消费电子等领域。

    功能特性
    ■    支持静态坏点校正功能,可以校正 sensor 缺陷点,缺陷点坐标可以自由增加或者删减
    ■    序列控制功能支持曝光、增益等参数配置
    ■    彩色相机支持环境光源预设、颜色转换、饱和度、色相功能
    ■    亮度、对比度、Gamma、锐化功能
    ■    自动黑电平、查找表、参数组、计数器和定时器功能
    ■    支持大恒图像以及第三方图像采集卡

    光谱曲线
    image2.png

    规格参数
    型号  
    MER3-1250-94X2C
    MER3-1250-94X2M
    光谱
    彩色
    黑白
    像素格式
    Bayer GB8 / Bayer GB10 / Bayer GB12
    Mono8 / Mono10 / Mono12
    信噪比
    39.8 dB
    39.8 dB
    品牌
    大恒图像
    分辨率
    4096(H) × 3072(V)
    传感器
    GPixel 1.1" GMAX3412 Global shutter CMOS
    像元尺寸
    3.4μm × 3.4μm
    帧率
    94.1fps
    模数转换精度
    10 bit,12 bit
    像素深度
    8 bit, 10 bit,12  bit
    曝光时间
    极小:6.5μs ~ 27.9μs,实际步长:0.1μs;  
    标准:28μs~1s,实际步长:1μs
    增益
    数字增益:0dB ~ 16dB;默认值0dB,步长0.1dB  
    模拟增益:10bit:1×;12bit:1×~12.19×;默认值1×
    Binning
    不支持
    像素抽样
    水平 FPGA,垂直Sensor:1×1,1×2,1×4,2×1,2×2,2×4,4×1,4×2,4×4
    同步方式
    外触发,软触发
    工作方式
    单帧采集,连续采集,软触发采集,外触发采集,CXP触发采集
    镜像翻转
    水平镜像,垂直镜像
    I/O接口
    1 路光耦隔离输入, 2 路双向  GPIO
    数据接口
    CXP-12 × 1(HDBNC)
    供电要求
    PoCXP供电
    额定功率
    4.6 W @ PoCXP
    工作温度
    0° C ~ +45° C
    存储温度
    -20°C ~ +70°C
    工作湿度
    10% ~ 80%
    散热方式
    无主动散热,可配装散热鳍
    镜头接口
    C
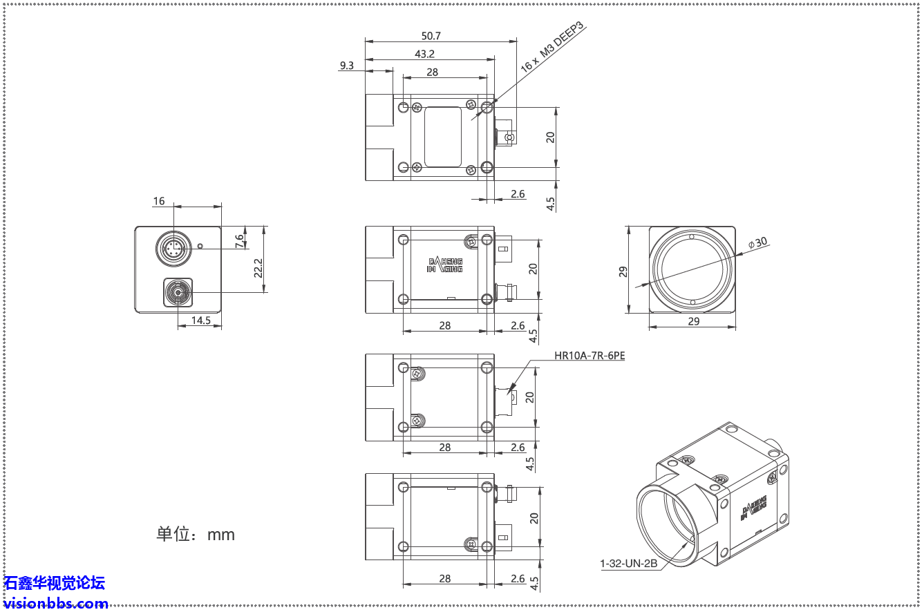
    机械尺寸
    29(W) × 29(H) × 33.9(L) mm(不含 C接口长度、航插长度)
    重量
    60 g
    软件
    支持大恒图像采集卡以及第三方图像采集卡配套软件
    操作系统
    Win7 / Win8 / Win10 / Win11
    认证及标准
    CE,RoHS,FCC,ICES,UKCA,CoaXPress2.0,GenICam

    IO接口
    image3.png

    机械尺寸
    image4.png

    回复

    使用道具 举报

    您需要登录后才可以回帖 登录 | 注册会员

    本版积分规则

    LabVIEW HALCON图像处理入门教程(25.08)
    石鑫华机器视觉与LabVIEW Vision图像处理PDF+视频教程11种全套
    《LabVIEW Vision函数实例详解2020-2024》教程-NI Vision所有函数使用方法介绍,基于NI VISION2020,兼容VDM21/22/23/24

    QQ|LabVIEW视觉 |网站地图

    GMT+8, 2026-3-12 20:05

    Powered by Discuz! X3.4

    © 2001-2026 Discuz! Team.

    快速回复 返回顶部 返回列表