LabVIEW视觉

 找回密码
 注册会员
查看: 264|回复: 0

[面阵相机] MER3-810-95U3DM-UV F02大恒图像科研级UV紫外相机

[复制链接]
  • TA的每日心情
    郁闷
    5 小时前
  • 签到天数: 3808 天

    连续签到: 1 天

    [LV.Master]2000FPS

     楼主| 发表于 2026-1-9 11:00:43 | 显示全部楼层 |阅读模式 来自:广东省东莞市 联通

    注册登陆后可查看附件和大图,以及购买相关内容

    您需要 登录 才可以下载或查看,没有账号?注册会员

    x
    MER3-810-95U3DM-UV F02大恒图像科研级UV紫外相机
    水星三代810万像素USB3.2接口紫外相机
    水星三代相机结构紧凑,外观小巧(29×29mm),采用更高性能FPGA,具有性能出色、灵活安装等特点。
    MER3-810-95U3DM-UV F02相机采用全局曝光的Sony IMX487 CMOS 感光芯片, 支持200nm~1100nm波段成像,通过USB3.2数据接口进行图像数据传输,传输速度可达10Gbps,提供线缆锁紧装置,能稳定工作在各种恶劣环境下,且相机四面设有螺钉安装孔位,可以在不同结构下灵活安装, 是高可靠性的工业数字相机产品。
    image1.png
    水星三代MER-U3D-UV系列紫外相机
    image2.png
    MER3-810-95U3DM-UVF02
    image3.png
    MER3-810-95U3DM-UVF02
    应用领域
    适用于微小缺陷检测、基础设施放电检测、回收材料拣选、印刷检查、生命科学等应用。
    产品特点
    ■    两种曝光模式:标准曝光模式 / 极小曝光模式
    ■    像素抽样、Binning、数字移位、黑电平和Sensor 位深功能
    ■    支持 Gamma 校正,优化采集图像的亮度
    ■    查找表、参数组、计数器、定时器、帧存控制、降噪
    ■    序列控制功能支持多组功能参数配置
    ■    取消参数范围限制,可扩大曝光、增益、等参数的范围值
    ■    提供 512KB 用户数据区,保存算法系数、参数配置等

    规格参数
    型号  
    MER3-810-95U3DM-UV  F02
    自动对焦
    品牌
    大恒图像
    系列
    火星MER3-G3-P-UV系列
    分辨率
    2848(H) ×  2848(V)
    帧率(fps)
    94.83 fps
    光谱响应范围
    400nm~1100nm
    传感器厂商
    SONY
    传感器
    2/3” IMX487  Global shutter CMOS
    像元尺寸
    2.74μm ×  2.74μm
    模数转换精度
    8 bit10 bit12 bit
    像素深度
    8 bit10 bit12 bit
    数据接口
    USB3.2 Gen2 ×  1
    镜头接口
    C
    光谱
    黑白,紫外
    图像数据格式
    Mono8 / Mono10  / Mono12 / Mono10p / Mono12p
    信噪比
    39.97 dB
    曝光时间
    极小:1μs ~ 2.4μs,实际步长:0.1μs  
    标准:3μs~1s,实际步长:1μs(像素抽样开启或曝光时间3μs~20μs),1 行周期(曝光时间20μs 以上)
    增益
    AnalogALL0dB ~ 24dB;默认值0dB,步长0.1dB  
    DigitalALL0dB ~ 24dB;默认值0dB,步长0.1dB
    Binning
    FPGA1×11×21×42×12×22×44×14×24×4Sensor1×12×2
    像素抽样
    Sensor1×12×2
    同步方式
    外触发,软触发
    工作方式
    单帧采集,连续采集,软触发采集,外触发采集
    镜像翻转
    水平镜像,垂直镜像
    I/O接口
    1 路光耦隔离输入,2路双向 GPIO
    供电要求
    USB3.2接口供电
    功率
    4.11 W @ 5VDC
    工作温度
    0°C ~ +50°C
    存储温度
    -20°C ~ +70°C
    工作湿度
    10% ~ 80%
    滤色片/透光片
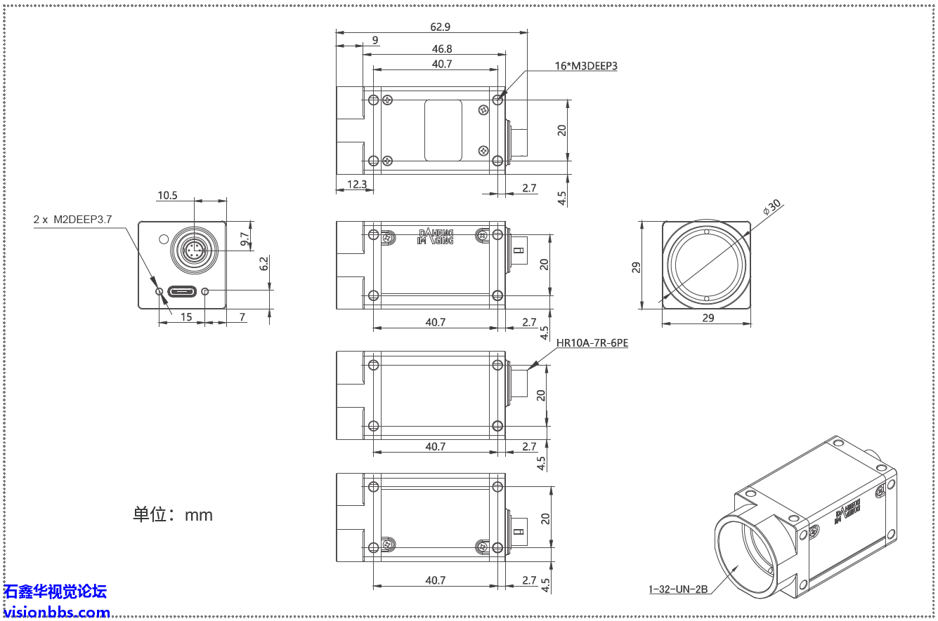
    机械尺寸
    29(W) × 29(H)  × 46.8(L) mm(不含镜头接口和连接件)
    重量
    60 g
    软件
    支持 HALCONMERLICVisionProLabVIEW 等第三方软件
    操作系统
    32bit / 64bit  Windows
    认证及标准
    CERoHSFCCICESUKCAUSB3 Vision®GenICam®

    光谱曲线
    image4.png
    *IMX487图像传感器专为200nm~400nmUV波段设计,无法保证400nm以上可见光波段的成像质量。
    *紫外线会对图像传感器设备造成损坏,使用时请评估不同光源条件下的传感器寿命。
    IO接口
    image5.png
    机械尺寸
    image6.png

    回复

    使用道具 举报

    您需要登录后才可以回帖 登录 | 注册会员

    本版积分规则

    LabVIEW HALCON图像处理入门教程(24.09)
    石鑫华机器视觉与LabVIEW Vision图像处理PDF+视频教程11种全套
    《LabVIEW Vision函数实例详解2020-2024》教程-NI Vision所有函数使用方法介绍,基于NI VISION2020,兼容VDM21/22/23/24

    QQ|LabVIEW视觉 |网站地图

    GMT+8, 2026-2-25 15:18

    Powered by Discuz! X3.4

    © 2001-2026 Discuz! Team.

    快速回复 返回顶部 返回列表