LabVIEW视觉

 找回密码
 注册会员
查看: 35|回复: 0

[面阵相机] ME2P-900-43U3C-HF8大恒图像水星二代Plus USB3Vision彩色移轴工业相机

[复制链接]
  • TA的每日心情
    奋斗
    2 小时前
  • 签到天数: 3690 天

    连续签到: 17 天

    [LV.Master]2000FPS

     楼主| 发表于 昨天 10:16 | 显示全部楼层 |阅读模式 来自:广东省东莞市 联通

    注册登陆后可查看附件和大图,以及购买相关内容

    您需要 登录 才可以下载或查看,没有账号?注册会员

    x
    ME2P-900-43U3C-HF8大恒图像水星二代Plus USB3Vision彩色移轴工业相机
    水星二代Plus 900万像素USB3.0接口移轴相机
    水星二代Plus 移轴相机镜头与sensor平面角度0~8度可调(水平或垂直), 侧拍时可增加相机景深,适于需要倾斜拍摄的条件下。ME2P-900-43U3C-HF8相机采用全局曝光的Gpixel GMAX2509 CMOS感光芯片, 通过USB3.0数据接口进行图像数据的传输,并集成I/O (GPIO) 接口, 提供线缆锁紧装置, 并且相机四面设有螺钉安装孔位,可以在不同结构下灵活安装,能稳定工作在各种恶劣环境下, 是高可靠性的工业数字相机产品。
    image1.png
    水星二代PlusME2P-U3系列工业相机


    应用领域
    工业检测、医疗、科研、教育等领域。

    功能特性
    l  相机镜头与 sensor 平面角度 0~8 度可调(水平或垂直)
    l  触发类型:帧开始 / 帧高速连拍开始
    l  支持 Gamma、Binning、像素抽样(Decimation)
    l  支持数字移位、黑电平、平场校正、静态坏点校正功能
    l  彩色相机支持环境光源预设、颜色转换、饱和度功能
    l  黑白相机支持锐化、降噪功能
    l  支持查找表、参数组、计数器和定时器功能
    l  取消参数范围限制,可扩大曝光、增益等参数的范围值
    l  提供 16KB 用户数据区,保存算法系数、参数配置等

    光谱曲线

                                   
    登录/注册后可看大图

    规格参数
    型号  
    ME2P-900-43U3C-HF8
    ME2P-900-43U3C-VF8
    ME2P-900-43U3M-HF8
    ME2P-900-43U3M-VF8
    品牌
    大恒图像
    系列
    水星ME2P-U3
    分辨率
    4200(H) × 2160(V)
    传感器
    Gpixel 2/3" GMAX2509 Global shutter CMOS
    像元尺寸
    2.5μm × 2.5μm
    帧率
    43.5 fps
    模数转换精度
    12 bit
    像素深度
    8 bit,12 bit
    倾角方向
    水平
    垂直
    水平
    垂直
    光谱
    彩色
    黑白
    图像数据格式
    Bayer RG8 / Bayer RG12
    Mono8 / Mono12
    信噪比
    37.15 dB
    36.94 dB
    曝光时间
    标准:11μs ~ 1s,实际步长:1μs
    增益
    0dB ~ 16dB;默认值0dB,步长0.1dB
    Binning
    1×1,1×2,1×4,2×1,2×2,2×4,4×1,4×2,4×4
    像素抽样
    水平 FPGA,垂直Sensor:1×1,1×2,1×4,2×1,2×2,2×4,4×1,4×2,4×4
    同步方式
    外触发,软触发
    工作方式
    单帧采集,连续采集,软触发采集,外触发采集
    镜像翻转
    水平镜像,垂直镜像
    I/O接口
    1 路光耦隔离输入,1 路光耦隔离输出,2 路双向 GPIO
    数据接口
    USB3.0
    供电要求
    USB3.0接口供电
    额定功率
    2.83 W @ 5 VDC
    工作温度
    0° C ~ +45° C
    存储温度
    -20°C ~ +70°C
    工作湿度
    10% ~ 80%
    镜头接口
    C/CS
    机械尺寸
    63(W) × 63(H) × 53.1(L) mm(含镜头接口和连接件)
    重量
    143.8 g
    软件
    支持 HALCON,MERLIC,VisionPro,LabVIEW 等第三方软件
    操作系统
    32bit / 64bit Windows,Linux,Android,ARMv7,ARMv8
    认证及标准
    CE,RoHS,FCC,ICES,UKCA,USB3  Vision®,GenICam®

    IO接口
    image3.png

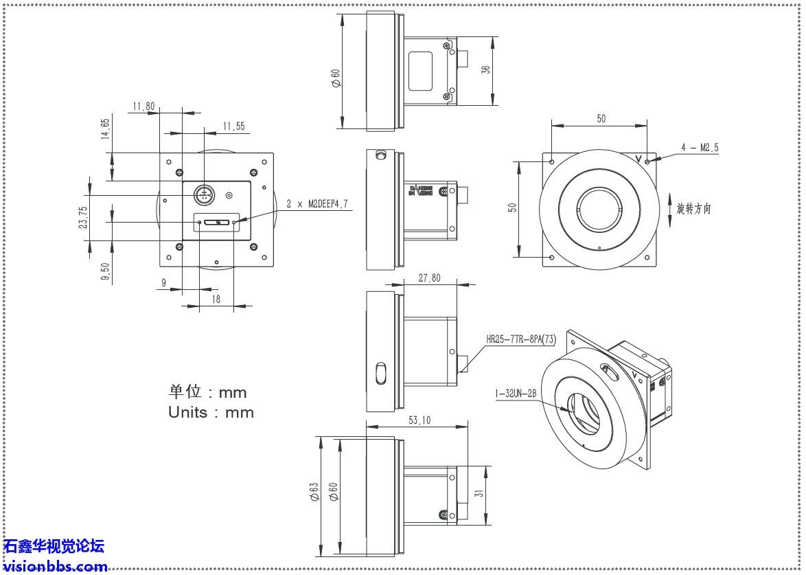
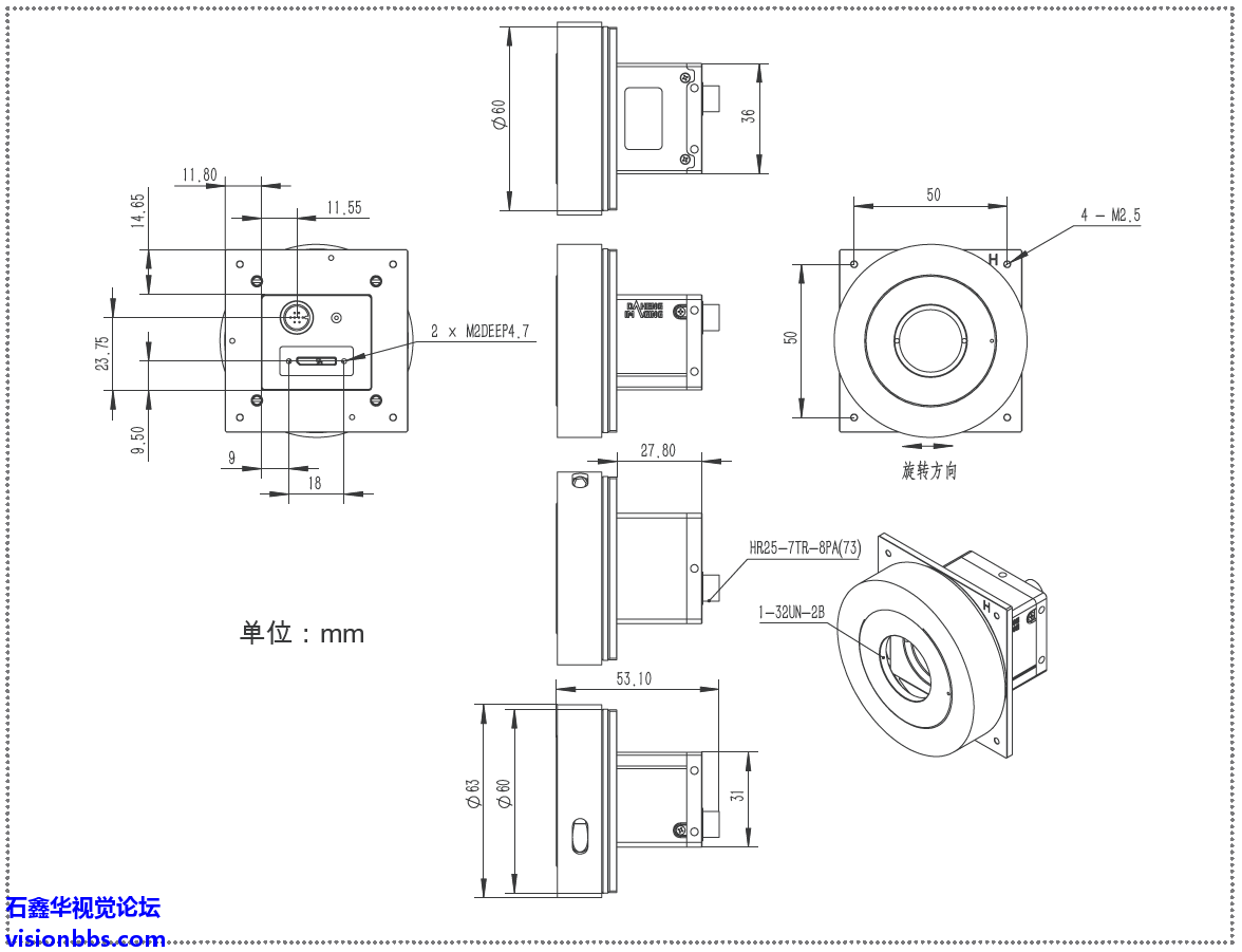
    机械尺寸
    image4.png
    ME2P-900-43U3M/C-HF8(水平可调)
    image5.png
    ME2P-900-43U3M/C-VF8(垂直可调)

    回复

    使用道具 举报

    您需要登录后才可以回帖 登录 | 注册会员

    本版积分规则

    LabVIEW HALCON图像处理入门教程(24.09)
    石鑫华机器视觉与LabVIEW Vision图像处理PDF+视频教程11种全套
    《LabVIEW Vision函数实例详解2020-2024》教程-NI Vision所有函数使用方法介绍,基于NI VISION2020,兼容VDM21/22/23/24

    QQ|LabVIEW视觉 |网站地图

    GMT+8, 2025-10-23 10:29

    Powered by Discuz! X3.4

    © 2001-2025 Discuz! Team.

    快速回复 返回顶部 返回列表